CA-IS3211CVCU
量产
4A 拉/5A 灌电流、 5.7-kVRMS 光耦兼容单通道隔离式栅极驱动器
CA-IS3211C 是一款光耦兼容的单通道隔离式栅极驱动器, 可用于驱动 MOSFET、IGBT 和 SiC 器件。隔离等级达到5.7kVRMS,器件可提供 4A 拉、5A 灌输出峰值电流能力。 高达 30V 的电源电压范围允许使用双极性电源来有效驱动 IGBT 和 SiC 功率 FET。该器件的性能亮点包括:高共 模瞬态抗扰度(CMTI)、低传输延迟、低脉冲宽度失真。 严格的工艺控制使得器件一致性较好。输入级是模拟二 极管,与传统的光耦隔离栅极驱动器的 LED 相比,具有 更好的长期可靠性和老化特性。高性能和高可靠性使得 该器件适用于工业电源、光伏逆变器、车载充电器、直 流电机控制以及汽车空调与加热系统。CA-IS3211C 可以 驱动高压侧及低压侧的功率管,既能够完全兼容传统的 光耦栅极驱动器,又显著提高了驱动的性能。
-
特性
光耦输入的 5.7 kVRMS 单通道隔离式栅极驱动器
输出峰值电流
4A 拉 / 5A 灌
最大30V 输出驱动电源电压
8V 或者 12V VCC 欠压锁定阈值
轨到轨输出
80ns(典型值)传输延迟
25ns(最大)器件对器件延迟匹配
35ns(最大)脉冲宽度失真
150kV/μs(最小)共模瞬态抗扰度(CMTI)
隔离栅寿命大于 40 年
输入级最高反向耐压 7V,并支持互锁输入
宽体 SOIC6-WB、SOIC8-WB 和 DUB8 封装
工作结温范围 TJ
-40°C 到 150°C
-
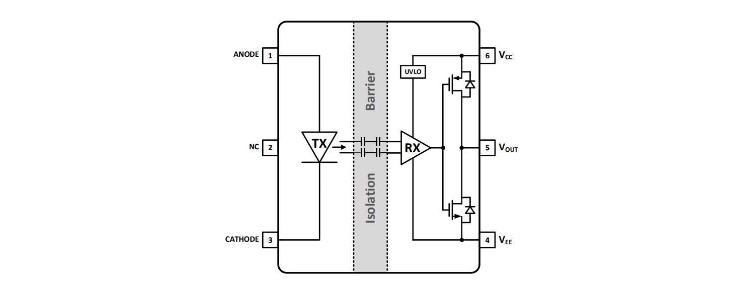
简化通道结构图
-
技术文档
文档名称
文件种类
更新日期
-
文件种类: 规格书
更新日期: 2025.07.28
-
-
认证标准
认证名称
认证种类
认证编号
认证日期
-
认证种类: 可靠性
认证编号: CA-IS3211CVCU_V1.0
认证日期: 2025.08.15
-
认证种类: CQC
认证编号: CQC24001452683
认证日期: 2024.12.26
-
认证种类: UL
认证编号: UL-US-2439042-0
认证日期: 2024.10.03
-